沃特JPWORLD內嚙合齒輪泵HG1-25-01R-VPC高壓泵HG0/1/2伺服油泵

淺談液壓系統設計
①在設計液壓系統時,首先要考慮的是功能實現,使用壽命和價格。繪制液壓原理圖后,有必要計算所有必需的選擇參數。複雜的液壓系統必須有一個計算手冊。
②在選擇油泵和電機之前,最好繪制輸出功率圖并嘗試使系統節能。
③對于精密液壓系統,控制精度高。請選擇伺服閥或者比例閥,請注意液壓油等級和過濾器的選擇。
④為了嚴格控制油溫,有必要在設計油箱,冷卻系統和空氣過濾器時進行計算。
⑤對于液壓馬達選擇類型,主要考慮的是馬達輸出功率,并且必須參考馬達輸出的功率輸出圖表。
⑥必須很好地計算管道尺寸選擇。在設計油路闆時,有必要綜合考慮,減少工藝孔的數量,減少曲缐的流動路徑。
⑦在選擇液壓元件的參數時,有必要保守,特別是對于國內液壓元件的壓力水平和壽命。要解釋玩多少折扣并不容易,可以私下交流。
⑧要考慮噪聲,共振現象。
⑨在整個設計中,壓力檢測端口應留待調試和維修。
⑩整個設計還需要考慮液壓系統 的生産,裝配時的清潔度。








KHG0系列:
KHG0-10-01R-VPC KHG0-08-01R-VPC KHG0-13-01R-VPC KHG0-16-01R-VPC KHG0-20-01R-VPC
KHG1系列:
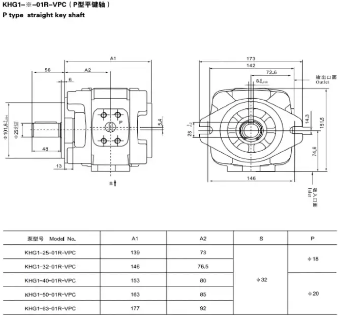
KHG1-25-01R-VPC KHG1-32-01R-VPC KHG1-40-01R-VPC KHG1-50-01R-VPC KHG1-63-01R-VPC
KHG2系列:
KHG2-63-01R-VPC KHG2-80-01R-VPC KHG2-100-01R-VPC KHG2-125-01R-VPC KHG2-145-01R-VPC KHG2-160-01R-VPC
本文由蘇州逐利機電整理發布,如需轉載請瀏覽來源及出處,原文地址:http://www.fjptba.com/yyyb/142.html






留言信息