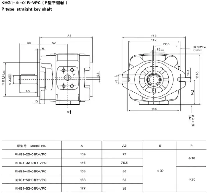
JPWORLD沃特KHG1-32-01R-VPC齒輪泵20/25/40/50/63油泵HG0系列

液壓系統閥塊、油箱及油管的加工工藝
液壓系統的清潔度和漏油問題是液壓系統的常見故障,其中液壓系統的清潔度會嚴重影響液壓系統的正常工作,因此,液壓系統在生産過程中,必須對清潔度高度重視。
給大家講下閥塊、油箱及油管的加工工藝。
一、閥塊的加工
1.閥塊鉆孔是一項細心的工作,該相交的孔并不是相通就好,鉆孔深度一定要按圖紙要求,以防影響油的流量。
2.閥塊孔內粘連的鐵屑和毛剌等是液壓系統工作中的隱患,遲早會導緻液壓系統故障,為此,相交孔處不能殘留有未鉆下來的鐵屑。
3.鉆孔時要用有磁性的劃針,將鐵屑吸出。
4.所有孔鉆完后,必須用壓縮空氣吹閥塊的孔,將閥塊內的垃圾及鐵屑、灰塵吹掉。
5.閥塊裝配前,必須對閥塊用柴油或汽油清洗干凈,清洗完畢后用塑料薄膜蓋好閥塊,待用。
二、油箱
1.鉚焊工將油箱制作后,必須清除焊疤、焊子及飛濺物。
2.油箱內腔機械打磨,去除鋼闆氧化皮。
3.鉗工安裝油箱清洗口、加油口、油標、油箱蓋闆后,必須將油箱內鐵屑清除干凈。
4.必須對油箱內腔用柴油清洗干凈。
5.油箱加油前,必須經檢驗員檢驗油箱內腔清洗度合格。
6.液壓油必須從加油口加油,嚴禁桶裝液壓油直接油倒入油箱。
7.油箱蓋闆下應放橡膠石棉闆,防止灰塵進入油箱。
三.油管的加工
1.鋸斷無縫管,焊接接頭后,必須用壓縮空氣吹管子,將管子內的垃圾及鐵屑、灰塵吹掉。
2.用作油管的鋼管其內外表面都會有鐵銹,對液壓油來說鐵銹是一種機械雜質,一旦進入油液會影響液壓裝置的正常工作。最好將管子送外協廠酸洗磷化處理,油管回廠后再用壓縮空氣吹管子,將管子內的垃圾及鐵屑、灰塵吹掉。
3.無縫管與接頭焊接,必須焊牢,不能發生漏油情況。
4.做完清潔工作后的油管,將兩端用塑料薄膜包紮好,防止車間灰塵進入油管。








KHG0系列:
KHG0-10-01R-VPC KHG0-08-01R-VPC KHG0-13-01R-VPC KHG0-16-01R-VPC KHG0-20-01R-VPC
KHG1系列:
KHG1-25-01R-VPC KHG1-32-01R-VPC KHG1-40-01R-VPC KHG1-50-01R-VPC KHG1-63-01R-VPC
KHG2系列:
KHG2-63-01R-VPC KHG2-80-01R-VPC KHG2-100-01R-VPC KHG2-125-01R-VPC KHG2-145-01R-VPC KHG2-160-01R-VPC
本文由蘇州逐利機電整理發布,如需轉載請瀏覽來源及出處,原文地址:http://www.fjptba.com/yyyb/144.html






留言信息