YUKEN油研電磁閥A3H180-FR14K-10液壓油泵電磁調速閥
液壓系統油箱的容量,很多人都不清楚。
油箱的容量是油箱的基本參數,油箱的總容量包括油液容量和空氣容量。油液容量是指油箱中油液最多時,即液面在液位計的上刻線時的油液體積。當液壓系統需要尖峰流量時,對應的油箱液面正好下降到最低點,此時,液面還應高于泵的吸油口75mm或1.5倍管徑,兩者中取大值。當液壓系統處于最大回油量時,油箱液面達到最高位,油箱內還應有10%的儲備容量(液面以上的空氣容積),以便形成與大氣接觸的自由液面,供熱膨脹和空氣從液體中分離之用。
油箱容量的大小與液壓系統工作循環中的油液溫升、運行中的液位變動、調試與維修時向管路及執行元件注油、循環油量、液壓油液的壽命等因素有關。油箱的容量可用經驗法或根據散熱加以確定,并符合JB/T 7938《液壓泵站油箱公稱容量系列》的規定。
(1)用經驗法確定油箱容積
用經驗法確定油箱容積應區分下述三種情況。
①油箱的容量通常為液壓泵每分鐘排出體積額定值的3~5倍。對于安裝位置受限的行走機械和設置冷卻裝置的設備,油箱的容量可選擇偏小值;對于空間位置不受限及未設冷卻裝置的固定設備,依靠油箱散熱的設備,則應選擇偏大值。
②采用定量泵或非壓力補償型變量泵的液壓系統,油箱的容量至少要大于泵流量的3倍以上。
③采用壓力補償型變量泵時,應盡量提供至少為系統每分鐘所需油液體積的平均值(以升計)3倍的油箱容量。
(2)根據散熱確定油箱容積
油箱的容量也可根據液壓系統的發熱與散熱關系的計算以及對油箱允許的溫升來確定。按照此法計算的結果,可得出圖4-27所示的關系圖表。若已知油箱的允許溫升和供油系統的功率,可由表查出油箱所需容量。反之也可由已知油箱的容積和功率查出油箱達到的溫升。

該圖表的用法舉例如下:如圖表中已知允許溫升35℃和功率11kW,即可查出油箱容量為800L。
油箱中油液溫度一般推薦在30~60℃范圍內工作比較合適,最高不應超過65℃,最低不低于15℃。
對于液壓機來說,油箱容量往往取決于液面變動量。考慮到油箱內的油液流速比一般的液壓裝置要快,容易裹攜空氣等因素,油箱油液容量最好取為液面變動量的3倍以上





50T-07-FR大軸22.2,50T-07-FR小軸19.05,50T-12-FR大軸22.2,50T-12-FR小軸19.05
50T-14-FR大軸22.2,50T-14-FR小軸19.05,50T-17-FR大軸22.2,50T-17-FR小軸19.05
50T-20-FR大軸22.2,50T-20-FR小軸19.05,50T-23-FR大軸22.2,50T-23-FR小軸19.05
50T-26-FR大軸22.2,50T-26-FR小軸19.05,50T-30-FR大軸22.2,50T-30-FR小軸19.05
50T-36-FR大軸22.2,50T-36-FR小軸19.05,50T-39-FR大軸22.2,50T-39-FR小軸19.05
50T-43-FR大軸22.2,50T-43-FR小軸19.05
A100-FR04HBS/FR04HAS-A-60399/60366,A100-FR04HS-60,
A145-FR04HBS/FR04HAS-A-60366,A145-FR04HS-60
A16-F-R-01-B-K-32,A16-F-R-01-C/H/B-K-32,A16-F-R-01-C-K-32,A16-F-R-01-H-K-32
A22-F-R-01-B-K-32,A22-F-R-01-C-K-32,A22-F-R-01-H/B-K-32,A22-F-R-01-H-K-32
A37-F-R-01-B/C-K-32,A37-F-R-01-B-K-32,A37-F-R-01-C/H-K-32,A37-F-R-01-C-K-32
A37-F-R-01-H-K-32,A37-F-R-04-H-K-32393
A3H100-F(L)-R(L),A3H145-F(L)-R(L),A3H16-F(L)-R(L),A3H180-F(L)-R(L),A3H37-F(L)-R(L)
A3H56-F(L)-R(L),A3H71-F(L)-R(L)
A3HG100-F(L)-R(L),A3HG145-F(L)-R(L),A3HG16-F(L)-R(L),A3HG180-F(L)-R(L),A3HG37-F(L)-R(L)
A3HG56-F(L)-R(L),A3HG71-F(L)-R(L)
A45-F-R-04-H-K-32393,A56/A45/A37,A56-F-R-04-H-K-32393,A70-FR04HBS-A,A70-FR04HS-60
A70-FRO4HAS-A,A90-FR04HBS/FR04HAS-A-60366,A90-FR04HS-60
AR16-FR01B-20,AR16-FR01B-22,AR16-FR01BS-22,AR16-FR01C-20,AR16-FR01C-22
AR16-FR01CS-22,AR16-FRO1BS-2223
AR22-FR01B-20,AR22-FR01B-22,AR22-FR01BS-22,AR22-FR01C-20,AR22-FR01C-22,AR22-FR01CS-22
ARL1-12-FR01A-10,ARL1-12-FR01S-10,ARL1-16-FR01A-10,ARL1-16-FR01S-10,ARL1-6-FR01A-10
ARL1-6-FR01S-10,ARL1-8-FR01A-10,ARL1-8-FR01S-10
PV2R11/R12/R13/R14
PV2R1-10-F-RAA-43,PV2R1-12-F-RAA-43,PV2R1-14-F-RAA-43,PV2R1-17-F-RAA-43,PV2R1-19-F-RAA-43
PV2R12-10-26-F-REAA-42,PV2R12-10-41-F-REAA-42,PV2R12-10-47-F-REAA-42
PV2R12-10-53-F-REAA-42,PV2R12-10-59-F-REAA-42,PV2R12-10-65-F-REAA-42,PV2R12-10-75-F-REAA-42
PV2R12-14-33-F-REAA-4326,PV2R12-14-33-F-REAR-43,PV2R12-25-33,PV2R12-25-41,PV2R12-25-47
PV2R12-25-53,PV2R12-25-59,PV2R12-25-65,PV2R12-25-75,PV2R12-28-33,PV2R12-28-41,PV2R12-28-47
PV2R12-28-53,PV2R12-28-59,PV2R12-28-65,PV2R12-28-75,PV2R1-23-F-RAA-43,PV2R1-25-F-RAA-43
PV2R12-6-26-F-REAA-42,PV2R12-6-33-F-REAA-42,PV2R12-6-41-F-REAA-42,PV2R12-6-47-F-REAA-42
PV2R12-6-53-F-REAA-42,PV2R12-6-59-F-REAA-42,PV2R12-6-65-F-REAA-42,PV2R12-6-75-F-REAA-42
PV2R12-8-26-F-REAA-42,PV2R12-8-41-F-REAA-42,PV2R12-8-53-F-REAA-42,PV2R12-8-59-F-REAA-42
PV2R12-8-65-F-REAA-42,PV2R12-8-75-F-REAA-42,PV2R1-28-F-RAA-43
PV2R13-10-76-L-LRAL-43,PV2R13-10-76-L-RAAA-40,PV2R13-12-76-L-RAAA-40
PV2R13-14-76-L-RAAA-40,PV2R13-17-76-L-RAAA-40,PV2R13-19-76-L-RAAA-40
PV2R1-31-F-RAA-43
PV2R13-23-76-L-RAAA-40,PV2R13-25-76-L-RAAA-40,PV2R13-31-76-L-RAAA-40
PV2R13-6-76-L-RAAA-40,PV2R13-8-76-L-RAAA-40
PV2R1-6-F-RAA-43,PV2R1-8-F-RAA-43
PV2R2-26-F-R,PV2R23/R24/R33/R34,PV2R2-33-F-R
PV2R23-47-94-F-REAA-41,PV2R23-53/66-F-REAA-41
PV2R2-41-F-R,PV2R2-47-F-R,PV2R2-53-F-R,PV2R2-59-F-R,PV2R2-65-F-R,PV2R2-75-F-R
PV2R34-116-237-F-REAA-31,PV2R34-116-237-F-RGAL-31,PV2R34-116-237-F-RHAR-31
PV2R34-52-184-F-RAAA-31
PV2R3-94-F-RAAA
PV2R4-200-F-RAA-30,PV2R4-200-F-RAB-30,PV2R4-200-F-RAL-30,PV2R4-200-F-RAR-30
PV2R4-237-F-RAB-30,PV2R4-237-F-RAL-30,PV2R4-237-F-RAR-30
PVR50FF-13-RAA-31,PVR50FF-20-RAA-31,PVR50FF-23-RAA-31,PVR50FF-26-RAA-31
PVR50FF-30-RAA-31,PVR50FF-36-RAA-31,PVR50FF-39-RAA-31
S-PV2R2/R3/R4/R12/R34,S-PV2R2-53-F-RAA-45
SVPF-12-20-20,SVPF-12-35-20,SVPF-12-55-20,SVPF-12-70-20
SVPF-15-20-20,SVPF-15-35-20,SVPF-15-55-20,SVPF-15-70-20
SVPF-20-20-20,SVPF-20-35-20,SVPF-20-55-20,SVPF-20-70-20
SVPF-30-20-20,SVPF-30-35-20,SVPF-30-55-20,SVPF-30-70-20
SVPF-40-20-20,SVPF-40-35-20,SVPF-40-55-20,SVPF-40-70-20
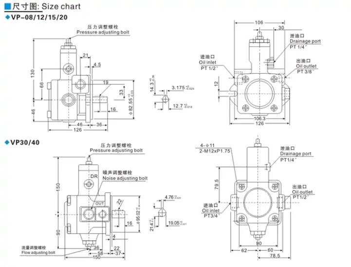
VP-08-FA3,VP-12-FA3,VP-15-FA3,VP-15-FA3(花鍵7齒),VP-15-FA3(花鍵9齒)
VP-20-FA3,VP-20-FA3(花鍵7齒),VP-20-FA3(花鍵9齒),VP-30-FA3
VP-30-FA3(花鍵9齒),VP-40-FA3,VP-40-FA3(花鍵9齒)
VPSM-PSFO-16AR-20,VPSM-PSFO-9BR-20
DG-01 DG-02 DT-01 DT-02 BG-03 BG-06 BG-10
BT-04 BT-06 BT-10
BG/BT-03/06/10 BT-03 BT-04 BT-06 BT-10
BSG-03/06/10 BSG-2P/BST-2P-03/06/10
BSG-03 BSG-06 BSG-10 BSG-03-*-2P BSG-06-*-2P
SBG-03 SBG-06 SBSG-03 SBSG-06 SBSG-10 SBG-03/06/10 SBSG-03/06/10
SBG-03-B SBG-03-C SBG-03-H SBG-03-2H SBG-06-B SBG-06-C SBG-06-H SBG-06-2H SBG-06-H-K05
BST-03-2PN-B BST-03-2PN-C BST-03-2PN-H BST-03-2PN-2H BST-06-2PN-B BST-06-2PN-C
BST-06-2PN-H BST-06-2PN-2H BST-10-2PN-B BST-10-2PN-C BST-10-2PN-H BST-10-2PN-2H
H型壓力控制閥、HC型壓力控制閥
HG-03 HG-06 HG-10 HCG-03 HCG-06 HCG-10 HCT-06
HG/HT-03/06/10
減壓閥、單向減壓閥
RG-03 RG-06
RT-03 RT-03/04/06/10
RCT-03 RCT-03 RCT-06 RCT-10 RCT-03/06/10
RCG-03/06/10 RCG-03 RCG-06 RG-03/06/10
液控單向閥
CPDG-03 CPDG-06 CPDG-10
CPDT-03 CPDT-06 CPDT-10
CPDF-10 CPDF-16
電液換向閥
DSHG-04 DSHG-04-AB DSHG-06
DSHG-06-AB
DSHG-10 DSHG-10-AB
DSHG-2B*-03/04/06/10 DSHG-3C*-03/04/06/10
順序閥
HCG-03 HCG-06 HCG-10
HCG-03/06/10
HCT-03/04/06/10
DSG-01-2B2-D24,DSG-01-2D2-D24,DSG-01-3C2-A220-DL,DSG-01-3C2-A220-LW,
DSG-01-3C2-D24-DL,DSG-01-3C2-D24-LW,DSG-01-3C3-A220-DL,DSG-01-3C3-A220-LW,
DSG-01-3C3-D24-DL,DSG-01-3C3-D24-LW,DSG-01-3C4-A220-DL,DSG-01-3C4-A220-LW,
DSG-01-3C4-D24-DL,DSG-01-3C4-D24-LW,DSG-01-3C5-D24-DL,DSG-01-3C5-D24-LW,
DSG-01-3C6-A220-DL,DSG-01-3C6-A220-LW,DSG-01-3C6-D24-DL,DSG-01-3C6-D24-LW,
DSG-02-2B2-DL,DSG-02-2B2-DL-AC24,DSG-02-3C2-D24-DL,DSG-02-3C2-DL,DSG-02-3C3-DL,
DSG-02-3C4-DL,DSG-02-3C60-DL,DSG-02-3C60-DL-R220,DSG-03-2B2-DL,DSG-03-2B2-DL-A220,
DSG-03-2B2-DL-A220V,DSG-03-2B2-DL-D24,DSG-03-2B2-DL-D24V,DSG-03-2B2-LW-A220,
DSG-03-2B2-LW-D24,DSG-03-2B3-DL-A220,DSG-03-2B3-DL-D24,DSG-03-2B3-LW-A220,
DSG-03-2B3-LW-D24,DSG-03-2D2-DL-A220,DSG-03-2D2-DL-D24,DSG-03-2D2-LW-A220,
DSG-03-2D2-LW-D24,DSG-03-3C2-D24,DSG-03-3C2-DL,DSG-03-3C2-DL-A220,
DSG-03-3C2-DL-A220V,DSG-03-3C2-DL-D24,DSG-03-3C2-DL-D24V,DSG-03-3C2-LW-A220,
DSG-03-3C2-LW-D24,DSG-03-3C3-DL,DSG-03-3C3-DL-A220V,DSG-03-3C3-DL-D24V,
DSG-03-3C4-D24,DSG-03-3C4-DL,DSG-03-3C4-DL-A220,DSG-03-3C4-DL-A220V,
DSG-03-3C4-DL-D24,DSG-03-3C4-DL-D24V,DSG-03-3C4-LW-A220,DSG-03-3C4-LW-D24,
DSG-03-3C5-DL-A220V,DSG-03-3C5-DL-D24V,DSG-03-3C60-DL,DSG-03-3C60-DL-A220V,
DSG-03-3C60-DL-D24V,DSG-03-3C6-DL-A220,DSG-03-3C6-DL-A220V,DSG-03-3C6-DL-D24,
DSG-03-3C6-DL-D24V,DSG-03-3C6-LW-A220,DSG-03-3C6-LW-D24,DSG-G03-2B2-DL-AC220V,
DSG-G03-2B2-DL-DC24V,DSG-G03-2B3-DL-AC220V,DSG-G03-2B3-DL-DC24V,
DSG-G03-2B60-DL-AC220V,DSG-G03-2B60-DL-DC24V,DSG-G03-2B8-DL-AC220V,
DSG-G03-2B8-DL-DC24V,DSG-G03-3C2-DL-AC220V,DSG-G03-3C2-DL-DC24V,
DSG-G03-3C3-DL-AC220V,DSG-G03-3C3-DL-DC24V,DSG-G03-3C4-DL-AC220V,
DSG-G03-3C4-DL-DC24V,DSG-G03-3C60-DL-AC220V,DSG-G03-3C60-DL-DC24V
SW-G02-04-A220-50
MSA-01-X-50,MSA-01-Y-50,MSA-02-X-50,MSA-02-Y-50,MSA-03-X-50,MSA-03-Y-50,
MSA-04-X-50,MSA-06-X-50,
MSB-01-X-50,MSB-02-X-50,MSB-03-X-50,MSB-04-X-50,MSB-06-X-50,
MSW-01-X-50,MSW-01-Y-50,MSW-02-X-50,MSW-02-Y-50,MSW-03-X-50,MSW-03-Y-50,
MSW-04-X-50,MSW-06-X-50
★★★▼疊加式減壓閥▼★★★
MRA-01-C-30,MRA-01-H-30,MRA-03-C-30,MRA-03-H-30,MRA-04-C-10,MRA-04-H-10,
MRA-06-C-30,MRA-06-H-30,
MRB-01-C-30,MRB-01-H-30,MRB-03-C-30,MRB-03-H-30,MRB-04-C-10,MRB-04-H-10,
MRB-06-C-30,MRB-06-H-30,
MRP-01-C-30,MRP-01-H-30,MRP-03-C-30,MRP-03-H-30,MRP-04-C-10,MRP-04-H-10,
MRP-06-C-30,MRP-06-H-30
★★★▼疊加式液控單向閥▼★★★
MPA-01-2-40,MPA-01-4-40,MPA-03-2-20,MPA-03-4-20,MPA-04-2-10Y,MPA-04-4-10Y,
MPA-06-2-30,MPA-06-4-30,
MPB-01-2-40,MPB-01-4-40,MPB-03-2-20,MPB-03-4-20,MPB-04-2-10Y,MPB-04-4-10Y,
MPB-06-2-30,MPB-06-4-30,
MPW-01-2-40,MPW-01-4-40,MPW-03-2-20,MPW-03-4-20,MPW-04-2-10Y,MPW-04-4-10Y,
MPW-06-2-30,MPW-06-4-30
★★★▼疊加式溢流閥▼★★★
MBA-01-C-30,MBA-01-H-30,MBA-03-C-30,MBA-03-H-30,MBB-01-C-30,MBB-01-H-30,MBB-03-C-30,
MBB-03-H-30,MBP-01-C-30,MBP-01-H-30,MBP-03-C-30,MBP-03-H-30,MBW-01-H-30,MBW-03-C-30,
MBW-03-H-30
本文由蘇州逐利機電整理發布,如需轉載請瀏覽來源及出處,原文地址:http://www.fjptba.com/yyyb/332.html






留言信息