SAMEK美國薩梅克25V-10A 12A 14A 15A-1A/1B/1C/1D-22R葉片泵

液壓系統柱塞泵的安裝與使用
1、軸向柱塞泵兩個洩油口,安裝時將高處的洩油口接上通往油箱的油管,使其無壓漏油,而將低處的洩油口封死。
2、泵啟動前應將排油路上的溢流閥調至最低壓力,待泵運轉正常后逐漸凋高到所需壓力。調整變量機構要先將排量調到最小值,再逐漸調到所需流量。
3、若液壓系統中裝有輔助液壓泵,應先啟動輔助液壓泵,調整控制輔助泵的溢流閥,使其達到規定的供油壓力,再啟動主泵。若發現異常現象,應先停主泵,待主泵停穩后再停輔助泵。
大蘭液壓柱塞泵
4、經拆洗重新安裝的泵,在使用前要檢查軸的回轉方向和排油管的連接是否正確可靠。并且從高處的洩油口往泵體內注滿液壓油,先用手撥轉3~4周后再啟動,以免杷泵燒壞。
5、裝配花鍵軸時,不應用力過猛,各個缸孔配合要用柱塞逐個試裝,不能用力打入。
6、檢修液壓系統時,一般不要拆洗泵。若確認泵有問題必須拆??時,則必須注意保持清潔,嚴防碰傷拉毛和將細小雜物留在泵內。
柱塞泵常見故障及排除方法,見下表。






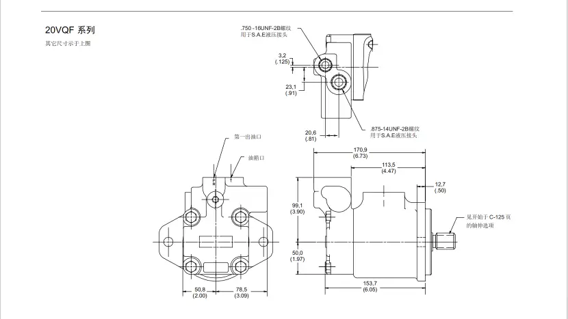
20系列
20V25A-1CR 20VQ
2520系列
2520V/VQ 2520V17A14-1AD22L 2520VQ
2525系列
2525V/VQ 2525VQ
25系列
25V/VQ 25V-10A 25V10A-1DR-10 25V-12A 25V-14A 25V-15A 25V17A-1A22R 25V20 25V21A 25V-21A-1B-22R 25V25
25VQ12MS86BR 25VQ17A-1BR 25VQ17A-1CR 25VQ25A-1A20L 25VQ25A-86DR 3520V/VQ
3520系列
3520VQ 3520VQ21A8S-1BBR
3525系列
3525V/VQ 3525V-25A25 3525v-38a21-86aa-22r 3525VQ 3525VQ-25A14-1DB 35V/VQ
35系列
35V20 35V-21/25A-1/86A-22R 35V25 35V-35A-1/86D-22R 35V35A-1BR 35V38A-1/86-C/D-22R
35VQ25A-1C/BR 35VQ30 35VQ30A-1CR 35VQ35 35VQ35A-1AR 35VQ35A-1CR 35VQ38 35VQ42
4520系列
4520V/VQ 4520VQ 4520VQ-60/11A-1AA 4520VQ-60/12A-1AA 4520VQ-60/14A-1AA
4520VQ-60/5A-1AA 4520VQ-60/6A-1AA 4520VQ-60/7A-1AA 4520VQ-60/8A-1AA
4520VQ-60/9A-1AA 4520VQ-66/11A-1AA 4520VQ-66/12A-1AA 4520VQ-66/14A-1AA
4520VQ-66/5A-1AA 4520VQ-66/6A-1AA 4520VQ-66/7A-1AA 4520VQ-66/8A-1AA
4520VQ-66/9A-1AA 4520VQ-75/11A-1AA 4520VQ-75/12A-1AA 4520VQ-75/14A-1AA
4520VQ-75/5A-1AA 4520VQ-75/6A-1AA 4520VQ-75/7A-1AA 4520VQ-75/8A-1AA
4520VQ-75/9A-1AA 4525V/VQ 4525V60A17-1AC22L 4525VQ 4535V/VQ
4535系列
4535V-50A35-86 4535V60A38-1AA-22R 4535V-60A38-1CC-22R 4535VQ
45系列
45V/VQ 45V20 45V25 45V35 45V60A-001C-22R 45V75A
45VQ42 45VQ47 45VQ50 45VQ50A 45VQ57 45VQ60 45VQ60A 45VQ66 45VQ75
本文由蘇州逐利機電整理發布,如需轉載請瀏覽來源及出處,原文地址:http://www.fjptba.com/yyyb/59.html






留言信息