SAMEK太重榆液葉片泵20VQ/20V-2/3/4/5/6/7/8/9/10/11/12/14-1CR

淺談液壓系統內??合齒輪泵
液壓系統中,常見液壓油泵主要有葉片泵、齒輪泵、柱塞泵這3種。
內??合齒輪泵有漸??缐齒形和擺缐齒形兩種,如下圖所示。其工作原理和主要特點與外??合齒輪泵相同,隻是兩個齒輪的大小不一樣,動內齒輪以各自的中心同方向旋轉。

在漸??缐內??合齒輪泵中,小齒輪和內齒輪之間要裝一塊月牙闆,以便把吸油腔和壓油腔隔??。當小齒輪帶動內齒輪轉動時,左半部輪齒退出??合,形成真空,完成吸油過程。進入齒槽的油液被帶到壓油腔,右半部輪齒進入??合將液壓油擠出,從壓油口排油。與外??合齒輪泵相比其流量脈動小,結構更緊湊,質量輕,噪聲小和效率高,還可以做到無困油現象等優點。其不足之處是齒形複雜,需專門高精度加工設備加工。
在擺缐形內??合齒輪泵(又稱擺缐轉子泵)中,小齒輪與內齒輪相差一個齒,當小齒輪帶動內齒輪轉動時,所有小齒輪的輪齒都進入??合,形成幾個獨立的密封腔,不需設置月牙闆。隨著內外齒輪的??合旋轉,各密封腔的容積發生變化,從而進行吸油和壓油。其特點是結構緊湊,零件少,工作容積大,轉速高,運動平穩,噪聲低。但由于齒數少,其流量脈動較大,??合處間隙洩漏大,所以此泵的工作壓力較低(一般為2.5~7MPa),通常作為潤滑、補油等輔助泵使用。





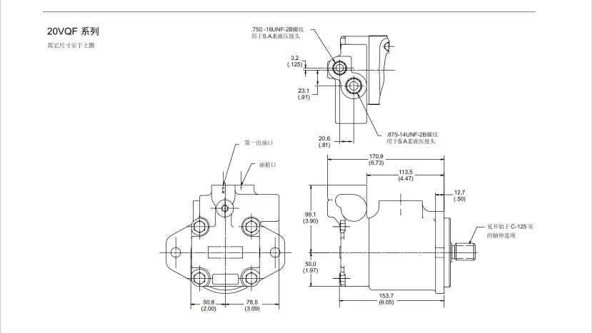
20系列
20V25A-1CR 20VQ
2520系列
2520V/VQ 2520V17A14-1AD22L 2520VQ
2525系列
2525V/VQ 2525VQ
25系列
25V/VQ 25V-10A 25V10A-1DR-10 25V-12A 25V-14A 25V-15A 25V17A-1A22R 25V20 25V21A 25V-21A-1B-22R 25V25
25VQ12MS86BR 25VQ17A-1BR 25VQ17A-1CR 25VQ25A-1A20L 25VQ25A-86DR 3520V/VQ
3520系列
3520VQ 3520VQ21A8S-1BBR
3525系列
3525V/VQ 3525V-25A25 3525v-38a21-86aa-22r 3525VQ 3525VQ-25A14-1DB 35V/VQ
35系列
35V20 35V-21/25A-1/86A-22R 35V25 35V-35A-1/86D-22R 35V35A-1BR 35V38A-1/86-C/D-22R
35VQ25A-1C/BR 35VQ30 35VQ30A-1CR 35VQ35 35VQ35A-1AR 35VQ35A-1CR 35VQ38 35VQ42
4520系列
4520V/VQ 4520VQ 4520VQ-60/11A-1AA 4520VQ-60/12A-1AA 4520VQ-60/14A-1AA
4520VQ-60/5A-1AA 4520VQ-60/6A-1AA 4520VQ-60/7A-1AA 4520VQ-60/8A-1AA
4520VQ-60/9A-1AA 4520VQ-66/11A-1AA 4520VQ-66/12A-1AA 4520VQ-66/14A-1AA
4520VQ-66/5A-1AA 4520VQ-66/6A-1AA 4520VQ-66/7A-1AA 4520VQ-66/8A-1AA
4520VQ-66/9A-1AA 4520VQ-75/11A-1AA 4520VQ-75/12A-1AA 4520VQ-75/14A-1AA
4520VQ-75/5A-1AA 4520VQ-75/6A-1AA 4520VQ-75/7A-1AA 4520VQ-75/8A-1AA
4520VQ-75/9A-1AA 4525V/VQ 4525V60A17-1AC22L 4525VQ 4535V/VQ
4535系列
4535V-50A35-86 4535V60A38-1AA-22R 4535V-60A38-1CC-22R 4535VQ
45系列
45V/VQ 45V20 45V25 45V35 45V60A-001C-22R 45V75A
45VQ42 45VQ47 45VQ50 45VQ50A 45VQ57 45VQ60 45VQ60A 45VQ66 45VQ75
本文由蘇州逐利機電整理發布,如需轉載請瀏覽來源及出處,原文地址:http://www.fjptba.com/yyyb/61.html






留言信息