Samek美國薩梅克2525VQ-17/19/21/17A/19A/21A-1/86AA/CC葉片泵

液壓馬達噪聲大原因分析及排除
液壓系統的執行元件液壓馬達突然出現噪聲大的現象,這是什麼原因而造成的呢?今天就來給大分析一下液壓馬達噪聲大的原因及排除方法:
一、液壓馬達噪聲大是由以下原因造成的:
①聯軸器不同心
②液壓油粘度過大
③密封不嚴,有空氣侵入內部
④液壓油被污染,有氣泡混入
⑤定子磨損
⑥葉片已磨損
⑦液壓馬達的徑向尺寸嚴重磨損
⑧葉片與定子接觸不良,有沖撞現象
二、液壓馬達噪聲大排除方法:
①校正同心
②更換粘度較小的油液
③檢查有關部位的密封,緊固各連接處
④更換清潔的液壓油
⑤進行修複或更換。如因彈簧過硬造成磨損加據,則應更換剛度較小的彈簧。
⑥盡可能修複或更換
⑦修磨缸孔。重配柱塞
⑧進行修整





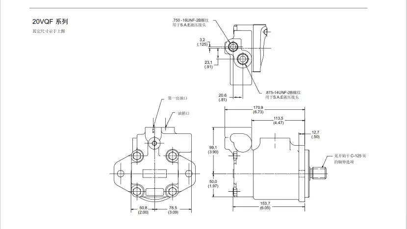
20系列
20V25A-1CR 20VQ
2520系列
2520V/VQ 2520V17A14-1AD22L 2520VQ
2525系列
2525V/VQ 2525VQ
25系列
25V/VQ 25V-10A 25V10A-1DR-10 25V-12A 25V-14A 25V-15A 25V17A-1A22R 25V20 25V21A 25V-21A-1B-22R 25V25
25VQ12MS86BR 25VQ17A-1BR 25VQ17A-1CR 25VQ25A-1A20L 25VQ25A-86DR 3520V/VQ
3520系列
3520VQ 3520VQ21A8S-1BBR
3525系列
3525V/VQ 3525V-25A25 3525v-38a21-86aa-22r 3525VQ 3525VQ-25A14-1DB 35V/VQ
35系列
35V20 35V-21/25A-1/86A-22R 35V25 35V-35A-1/86D-22R 35V35A-1BR 35V38A-1/86-C/D-22R
35VQ25A-1C/BR 35VQ30 35VQ30A-1CR 35VQ35 35VQ35A-1AR 35VQ35A-1CR 35VQ38 35VQ42
4520系列
4520V/VQ 4520VQ 4520VQ-60/11A-1AA 4520VQ-60/12A-1AA 4520VQ-60/14A-1AA
4520VQ-60/5A-1AA 4520VQ-60/6A-1AA 4520VQ-60/7A-1AA 4520VQ-60/8A-1AA
4520VQ-60/9A-1AA 4520VQ-66/11A-1AA 4520VQ-66/12A-1AA 4520VQ-66/14A-1AA
4520VQ-66/5A-1AA 4520VQ-66/6A-1AA 4520VQ-66/7A-1AA 4520VQ-66/8A-1AA
4520VQ-66/9A-1AA 4520VQ-75/11A-1AA 4520VQ-75/12A-1AA 4520VQ-75/14A-1AA
4520VQ-75/5A-1AA 4520VQ-75/6A-1AA 4520VQ-75/7A-1AA 4520VQ-75/8A-1AA
4520VQ-75/9A-1AA 4525V/VQ 4525V60A17-1AC22L 4525VQ 4535V/VQ
4535系列
4535V-50A35-86 4535V60A38-1AA-22R 4535V-60A38-1CC-22R 4535VQ
45系列
45V/VQ 45V20 45V25 45V35 45V60A-001C-22R 45V75A
45VQ42 45VQ47 45VQ50 45VQ50A 45VQ57 45VQ60 45VQ60A 45VQ66 45VQ75
本文由蘇州逐利機電整理發布,如需轉載請瀏覽來源及出處,原文地址:http://www.fjptba.com/yyyb/68.html






留言信息